Комплектующие для унитазов
Основные виды комплектующих
Сантехническая арматура включает в себя:
- Заливные клапаны
 - Сливные механизмы
 - Комплекты арматуры
 - Кнопки управления
 - Тросы и тяги
 
Типы арматуры
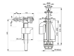
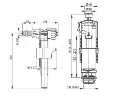
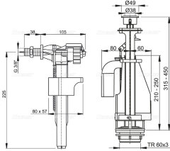
- Нижняя подводка — современное решение, скрывающее коммуникации
 - Боковая подводка — классический вариант подключения
 - Верхняя подводка — редко используемый тип
 
Основные компоненты
- Заливной клапан:
 
- Регулирует подачу воды в бачок
 - Обеспечивает автоматическое отключение при заполнении
 - Бывает с нижней или боковой подводкой
 
- Сливной механизм:
 
- Отвечает за спуск воды
 - Может быть с одним или двумя режимами слива
 - Оснащается кнопкой или рычагом управления
 
- Комплект арматуры:
 
- Включает заливной и сливной механизмы
 - Может комплектоваться кнопками разных типов
 - Бывает с хромированным покрытием
 
Дополнительные элементы
- Сиденья и крышки
 - Крепежные элементы
 - Уплотнительные прокладки
 - Соединительные патрубки
 - Защитные экраны
 
Критерии выбора
При выборе комплектующих учитывайте:
- Тип подключения к водопроводу
 - Объем бачка
 - Необходимость двухрежимного слива
 - Материал изготовления
 - Совместимость с моделью унитаза
 
Своевременная замена комплектующих обеспечит надежную работу унитаза и поможет избежать серьезных поломок. При выборе деталей рекомендуется отдавать предпочтение проверенным производителям и учитывать особенности конкретной модели унитаза.
В Partez.ru Вам помогут подобрать комплектующие для унитаза, учитывая все ваши пожелания .
Для консультации и заказа звоните прямо сейчас или оставляйте заявку на сайте.
ФИЛЬТР ТОВАРОВ
Нужна помощь? Пиши
+7 (8442) 51-71-75
Интернет магазин принимает заявки круглосуточно.
Обработка заказов происходит с 9:00 до 18:00 пн. - пт.
Найдено товаров - 26
Alcadrain



































































































































































































































































































































































